翻边短节简介:
翻边是冲压工艺的一种。在坯料的平面部分或曲面部分上,利用模具的作用,使之沿封闭或不封闭的曲线边缘形成有一定角度的直壁或凸缘的成型方法称为翻边。
翻边的制造标准:MSS SP-43、ASME B16.9、GB/T12459等标准。材质有碳钢、不锈钢、合金钢等。
翻边短节实物图:(网上产品图片仅供参考,交货按实物为准)
![]() | ![]() | ![]() |
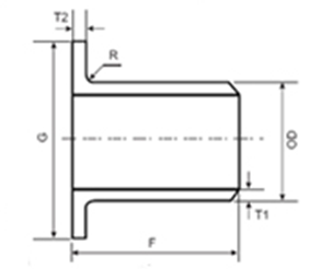
翻边结构图 (Lap Joint Stub End Structure)
![]() | ![]() |
| 长型 Long Pattern | 短型 Short Pattern |
翻边短节参数表
公称通径 | 短节外径 Outside Diameter | 接管长度F Length | 搭接外径 | 圆角半径 R | |||
DN | NPS | OD | 长型LP | 短型SP | G | AMax | BMax |
15 | 1/2 | 21.3 | 76 | 51 | 35 | 3 | 0.75 |
20 | 3/4 | 26.7 | 76 | 51 | 43 | 3 | 0.75 |
25 | 1 | 33.4 | 102 | 51 | 51 | 3 | 0.75 |
32 | 1.1/4 | 42.4 | 102 | 51 | 64 | 5 | 0.75 |
40 | 1.1/2 | 48.3 | 102 | 51 | 73 | 6 | 0.75 |
50 | 2 | 60.3 | 152 | 64 | 92 | 8 | 0.75 |
65 | 2.1/2 | 73 | 152 | 64 | 105 | 8 | 0.75 |
80 | 3 | 88.9 | 152 | 64 | 127 | 10 | 0.75 |
90 | 3.1/2 | 101.6 | 152 | 76 | 140 | 10 | 0.75 |
100 | 4 | 114.3 | 152 | 76 | 157 | 11 | 0.75 |
125 | 5 | 141.3 | 203 | 76 | 186 | 11 | 1.5 |
150 | 6 | 168.3 | 203 | 89 | 216 | 13 | 1.5 |
200 | 8 | 219.1 | 203 | 102 | 270 | 13 | 1.5 |
250 | 10 | 273.1 | 254 | 127 | 324 | 13 | 1.5 |
300 | 12 | 323.9 | 254 | 152 | 381 | 13 | 1.5 |
350 | 14 | 355.6 | 305 | 152 | 413 | 13 | 1.5 |
400 | 16 | 406.4 | 305 | 152 | 470 | 13 | 1.5 |
450 | 18 | 457.2 | 305 | 152 | 533 | 13 | 1.5 |
500 | 20 | 508 | 305 | 152 | 584 | 13 | 1.5 |
550 | 22 | 559 | 305 | 152 | 641 | 13 | 1.5 |
600 | 24 | 610 | 305 | 152 | 692 | 13 | 1.5 |
上述尺寸符合MSS SP-43、ASME B16.9标准。
Above dimensions acc.to MSS SP-43、ASME B16.9
翻边短节制造标准
翻边短节 | |||
美洲体系 | 欧洲体系 | JIS系列 | 翻边环 |
ASME/ANSIB16.9(长型) | DIN2641 (PN6) | ||
HG20621(短型) | HG20599 | 企业标准 | |
GB9118 I型(长)、II型(短) | |||
SH3406LL型(长)、L型(短) | |||





