弯头,三通,四通(Socket Elbow&Tee&Cross)
弯头,三通,四通简介:
承插弯头、三通、四通,主要是由圆钢或钢锭模压锻造毛坯成型,然后经车床机加工成型的一种高压管道连接配件。是锻制承插系列管件的重要部分。
按照形式分为45°承插弯头和90°承插弯头;三通、四通有等径和异径之分。
主要适用于石油化工、医药卫生、电力、航天、军工、消防、冶金、造船、燃气、核电、及环境保护等要求承受压力高、尺寸精密等部门及领域。
弯头,三通,四通实物图:(网上产品图片仅供参考,交货按实物为准)
![]() | ![]() | ![]() | ![]() |
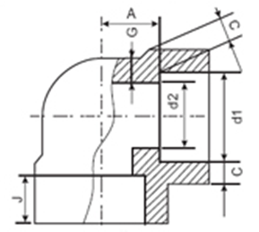
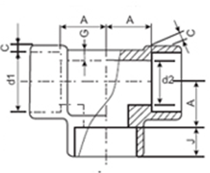
承插弯头、三通、四通结构图 (Socket Elbow、Tee、Cross Structure)
![]() | ![]() | ![]() | ![]() |
承插弯头 Socket Elbow | 承插弯头 Socket Elbow | 承插三通 Socket Tee | 承插四通 Socket Cross |
承插焊弯头、三通、四通参数表
| 中心至承插孔底 | ||||||||||||
| 公称通径 | 承插孔深度 | 承插孔直径 | 壁厚 | Center to Bottom of Socket | ||||||||
| Nominal Diameter | Depth of Socket | Dimension of Socket | Wall Thickness | A | ||||||||
| Cmin | 90°弯头、三通、四通 | 45°弯头 | ||||||||||
| 90°Elbow、Tee、Cross | 45°Elbow | |||||||||||
| DN | NPS | Jmin | d1 | 3000LB | 6000LB | 9000LB | 3000LB | 6000LB | 9000LB | 3000LB | 6000LB | 9000LB |
| Sch80 | Sch160 | XXS | Sch80 | Sch160 | XXS | Sch80 | Sch160 | XXS | ||||
| 6 | 1/8 | 10 | 10.7 | 3.2 | 3.5 | - | 11 | 11 | - | 8 | 8 | - |
| 8 | 1/4 | 10 | 14.1 | 3.3 | 4 | - | 11 | 15 | - | 8 | 8 | - |
| 10 | 3/8 | 10 | 17.5 | 3.5 | 4.4 | - | 13 | 15 | - | 8 | 12 | - |
| 15 | 1/2 | 10 | 21.8 | 4.1 | 5.2 | 8.2 | 16 | 19 | 25 | 11 | 13 | 16 |
| 20 | 3/4 | 13 | 27.4 | 4.3 | 6.1 | 8.6 | 19 | 22 | 28 | 13 | 14 | 18 |
| 25 | 1 | 13 | 34.2 | 5 | 7 | 10 | 22 | 27 | 32 | 14 | 18 | 22 |
| 32 | 1.1/4 | 13 | 42.9 | 5.3 | 7 | 10.6 | 27 | 32 | 35 | 18 | 21 | 22 |
| 40 | 1.1/2 | 13 | 48.3 | 5.6 | 7.8 | 11.2 | 32 | 38 | 38 | 21 | 25 | 25 |
| 50 | 2 | 13 | 61.1 | 6.1 | 9.5 | 12.2 | 38 | 41 | 41 | 25 | 29 | 29 |
| 65 | 2.1/2 | 16 | 76.9(73.8) | 7.7 | 12.5 | - | 41 | 57 | - | 29 | 32 | - |
| 80 | 3 | 16 | 89.8 | 8.3 | 13.8 | - | 57 | 64 | - | 32 | 35 | - |
| 100 | 4 | 19 | 115.5 | 9.4 | - | - | 66 | - | - | 42 | - | - |
备注:
1、承插壁厚外围平均值不低于所列值,最小值仅限于局部区域。
2、每种规格的上下值分别代表******、最小尺寸。
上述尺寸符合GB/T14383、SH3410、HG/T21634、JIS B2316、ASME B16.11、BS3799标准。
Above dimensions acc.to the standard of GB/T14383、SH3410、HG/T21634、JIS B2316、ASME B16.11、BS3799








