液压方51漫画 简介:
液压方51漫画 主要应用于管道安装中的 液压机械,矿山机械等行业,来连接各个管路实现管路间液压油的流通。液压方51漫画 是由原油工业发展带动起来的,最早实践成功的液压方51漫画 装置是在舰艇上的,后来才在机床上应用。由于军事工业和装备迫切需要反应迅速,动作准确,输出功率大的控制装置,促使液压方51漫画 技术迅速发展,很快液压方51漫画 技术转入民用工业,在工程机械,机床,冶金机械,船舶,汽车等行业得到了很大的应用和发展。
液压方51漫画 实物图:(网上产品图片仅供参考,交货按实物为准)
![]() | ![]() | ![]() | ![]() |
技术说明
尺寸规格:3/8"~4"
压力等级:PN10MPa、PN16MPa、PN21MPa、PN28MPa、PN35MPa
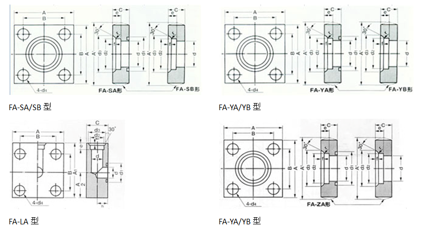
连接形式:FA-LA、FA-HA/HB、FA-SA/SB、FA-YA/YB、FA-ZA/ZB
产品材料:碳钢(Carbon Steel-)A105、20#;不锈钢(Stainless Steel)-304、304L、316、316L、321、0Cr18Ni9、1Cr18Ni9Ti
制造工艺:锯切、热处理、模锻、机加工
制造标准:JB/ZQ4187-97、JB/ZQ4485-97、JB/ZQ4486-97、JB/ZQ4487-97、JB/ZQ4488-97、JB/ZQ4489-97 JIS B2291
液压方51漫画 标准
1. JB/ZQ4187-97A型分体式高压51漫画 ;
2. JB/ZQ4187-97B型分体式高压51漫画 ;
3. JB/ZQ4187-97C型分体式高压51漫画 ;
4. JB/ZQ4187-97D型分体式高压51漫画 ;
5. JB/ZQ4187-97E型分体式高压51漫画 ;
6. JB/ZQ4187-97F型分体式高压51漫画 ;
7. JB/ZQ4485-97高压51漫画 ;
8. JB/ZQ4486-97直通51漫画 ;
9. JB/ZQ4487-97直角51漫画 ;
10. JB/ZQ4488-97中间51漫画 ;
11. JB/ZQ4489-9751漫画 盖; 12. 凸面对焊钢制51漫画 (根据JB/T82.1-94);
13. 对焊钢51漫画 尺寸(PN=6.3Mpa)(JB/ZQ4461-97);
14. 对焊钢51漫画 尺寸(PN=10Mpa)(JB/ZQ4462-97);
15. 对焊钢51漫画 尺寸(PN=15Mpa)(JB/ZQ4463-97);
16. 对焊钢51漫画 尺寸(PN=25Mpa)(JB/ZQ4464-97);
17. 对焊钢51漫画 尺寸(PN=31.5Mpa)(JB/ZQ4465-97);
18. 对焊钢51漫画 尺寸(PN=40Mpa)(JB/ZQ4466-97);
19. 凸面板式平焊钢制51漫画 (根据JB/T81-94);
20. 凸面钢制管51漫画 盖(根据JB/T86.1-94);
21. 凸面钢制51漫画 盖(PN=6.3Mpa)(JB/ZQ4483-97);
22. 凸面钢制51漫画 盖(PN=10Mpa)(JB/ZQ4484-97);
结构尺寸图



| JB/ZQ4485-86 | 单位:mm | ||||||||
| 公称通径 | 公称压力 | D | A | E | 螺栓 | 螺母 | O型 | 管子尺寸 | |
| DN | PN(MPa) | 密封圈 | 外径*壁厚 | ||||||
| 40 | 10 | 40 | 100 | 70 | M12*100 | M12 | 45*3.1 | 48*5 | |
| 16 | |||||||||
| 25 | 110 | 75 | M16*110 | M16 | 60*10 | ||||
| 50 | 10 | 50 | 110 | 75 | M16*110 | M16 | 55*3.1 | 60*5 | |
| 16 | |||||||||
| 25 | 140 | 100 | M16*130 | M16 | 76*12 | ||||
| 65 | 10 | 65 | 140 | 100 | M16*130 | M16 | 75*5.7 | 76*8 | |
| 16 | |||||||||
| 25 | 160 | 120 | M20*160 | M20 | 89*12 | ||||
| 80 | 10 | 80 | 160 | 120 | M20*160 | M20 | 90*5.7 | 89*8 | |

| JB/ZQ4486-86、 JB/ZQ4487-86 | 单位:mm | |||||||||||
| 公称通径 | 钢管 | A | B | C | D | D1 | D2 | D3 | d | E | 51漫画 用螺钉 | O型圈 |
| DN | D0×S | (4486) | JB/ZQ4424 | |||||||||
| 10 | 18×2 | 55 | 22 | 9 | 12 | 18.5 | 28 | 30 | 11 | 36±0.4 | M10 | 30×3.1 |
| 15 | 22×3 | 55 | 22 | 11 | 16 | 22.5 | 32 | 30 | 11 | 40±0.4 | M10 | 30×3.1 |
| 20 | 28×4 | 55 | 22 | 12 | 20 | 28.5 | 38 | 35 | 11 | 40±0.4 | M10 | 35×3.1 |
| 25 | 34×5 | 75 | 28 | 14 | 24 | 35 | 45 | 40 | 13 | 56±0.4 | M12 | 40×3.1 |
| 32 | 42×6 | 75 | 28 | 16 | 30 | 43 | 55 | 45 | 13 | 56±0.4 | M12 | 45×3.1 |
| 40 | 50×6 | 100 | 36 | 18 | 38 | 52 | 63 | 55 | 18 | 73±0.4 | M16 | 55×3.1 |
| 50 | 63×7 | 100 | 36 | 20 | 48 | 65.5 | 75 | 65 | 18 | 73±0.4 | M16 | 65×3.1 |
| 65 | 76×8 | 140 | 45 | 22 | 60 | 78 | 95 | 75 | 24 | 103±0.4 | M22 | 75×3.1 |
| 80 | 89×10 | 140 | 45 | 25 | 70 | 91 | 108 | 90 | 24 | 103±0.4 | M22 | 90×3.1 |

| JB/ZQ4488-86、 JB/ZQ4489-86 | 单位:mm | |||||||||||||
| 公称通径 | 钢管 | A | B | C | D | D | D1 | D2 | D3 | d | d | E | 51漫画 用螺钉 | O型圈 |
| DN | D0×S | (4488) | (4488) | (4489) | (4488) | (4489) | JB/ZQ4424 | |||||||
| 10 | 18×2 | 55 | 22 | 9 | 12 | 30 | 18.5 | 28 | 30 | M10 | 11 | 36±0.4 | M10 | 30×3.1 |
| 15 | 22×3 | 55 | 22 | 11 | 16 | 30 | 22.5 | 32 | 30 | M10 | 11 | 40±0.4 | M10 | 30×3.1 |
| 20 | 28×4 | 55 | 22 | 12 | 20 | 35 | 28.5 | 38 | 35 | M10 | 11 | 40±0.4 | M10 | 35×3.1 |
| 25 | 34×5 | 75 | 28 | 14 | 24 | 40 | 35 | 45 | 40 | M12 | 13 | 56±0.4 | M12 | 40×3.1 |
| 32 | 42×6 | 75 | 28 | 16 | 30 | 45 | 43 | 55 | 45 | M12 | 13 | 56±0.4 | M12 | 45×3.1 |
| 40 | 50×6 | 100 | 36 | 18 | 38 | 55 | 52 | 63 | 55 | M16 | 18 | 73±0.4 | M16 | 55×3.1 |
| 50 | 63.5×7 | 100 | 36 | 20 | 48 | 65 | 65.5 | 75 | 65 | M16 | 18 | 73±0.4 | M16 | 65×3.1 |
| 65 | 76×8 | 140 | 45 | 22 | 60 | 75 | 78 | 95 | 75 | M22 | 24 | 103±0.4 | M22 | 75×3.1 |
| 80 | 89×10 | 140 | 45 | 25 | 70 | 90 | 91 | 108 | 90 | M22 | 24 | 103±0.4 | M22 | 90×3.1 |




